- Главная
- Комплектующие
- Сервоприводы
- Сервопривод DELTA ELECTRONICS ASD-M
Сервопривод DELTA ELECTRONICS ASD-M
Артикул ASD-M
Трехосевая сервосистема для задач синхронного управления.
- Обеспечивают весь функционал управления движением
- Высокоточный, высокодинамичный серводвигатель
- Трехосевой сервоусилитель имеет лучшие характеристики чем 3 отдельных сервопривода
- Встроенные ПЛК и контроллер управления движением
- Улучшенное управление синхронным перемещением
- Интерполяция нескольких осей и поддержка команд управления движением идеально подходят для машин, требующих высокоточного синхронного управления
- Различные режимы для непрерывного управления движением
- Встроенный интерпретатор G-кодов
- Поддержка обмена данными по высокоскоростной и надежной сети реального времени.
- Диапазон мощностей: 0.75 - 2 кВт
ООО «Эффективное производство» - официальный партнер компании Delta Electronics в России.
Артикул товара: ASD-M
Трехосевая сервосистема для задач синхронного управления.
Высокоточный, высокодинамичный серводвигатель.
Трехосевой сервоусилитель имеет лучшие характеристики чем 3 отдельных сервопривода. Обеспечивают весь функционал управления движением.
Основные характеристики:
- Встроенные ПЛК и контроллер управления движением. Встроенные функции ПЛК и управления движением позволяют настроить систему управления движением с высокой точностью без внешнего ПЛК в реальном времени
- Улучшенное управление синхронным перемещением. 3 сервопривода могут обмениваться большим объемом данных без задержек. В механических системах ASD-M обеспечивает точное одновременное движение нескольких осей вне зависимости от того, одинакова нагрузка на оси или нет.
- Многоосевая синхронная интерполяция. Различные режимы для непрерывного управления движением, уже встроенные в ASD-M для высокоточного синхронного управления без задержек.
- Встроенный интерпретатор G-кодов.
- Загрузка программы в G-кодах с панели оператора или ПК.
- Функция E-CAM. Легкость в настройке гибких механизмов с помощью трех ведомых осей или только одной ведущей оси. Переключение между ведущими/ведомыми осями определяется в настраиваемых пользователем параметрах. Программа ASDASoft позволяет создавать и редактировать профиль E-CAM.
- Высокая точность. Встроенный энкодер на 1 280 000 имп/об, что удовлетворяет очень деликатным применениям сервопривода, и гарантирует стабильную работу на очень низких скоростях.
- Поддержка как инкрементальных, так и абсолютных энкодеров.
- Превосходное подавление вибрации. Встроенная функция автоматического подавления низкочастотной вибрации реализована с помощью двух фильтров, минимизирующих и полностью устраняющих вибрацию исполнительного механизма.
- Полностью замкнутый контур позиционирования. Позволяет устранять погрешности позиционирования из-за таких механических явлений как люфт и эластические деформации.
- Функции захвата и сравнения в реальном времени. Способность запоминать мгновенное значение текущей координаты во время движения. Отклик - 5мкс. Командой захвата (CAPTURE) может служить сигнал с фотодатчика метки, или др. бесконтактных выключателей. Функция COMPARE может применяться при использовании промышленных CCD камер.
- Высокая динамика.
Время успокоения менее 1 мс.
Время изменения скорости двигателя от -3000 до 3000 об/мин составляет 7мс (без нагрузки).
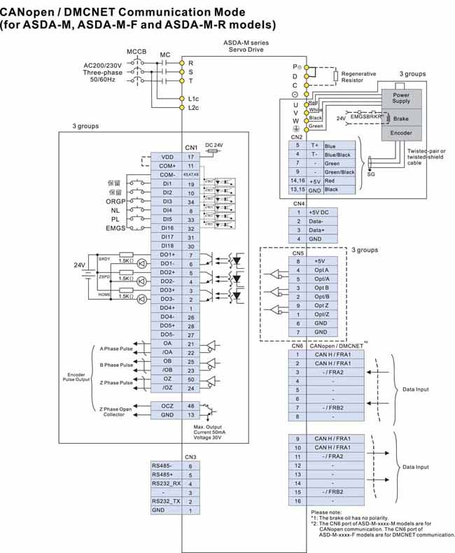
Поддержка обмена данными по высокоскоростной и надежной сети в реальном времени
Поддержка протокола CANopen (скорость передачи данных до 1 Mbps по протоколу CANopen DS301; поддерживает режимы управления движением по протоколу CANopen DS402)
Возможность реализации эффективной системы с коммуникацией через DMCNET при помощи Delta Human Machine Controller (HMC)
Поддержка модулей удаленного ввода/вывода по шине DMCNET.
Для заказов на сумму более 50 000 руб. доставка включена в стоимость.
В других случаях рассчитывается исходя из веса отправления и региона доставки.
Возможна доставка любой удобной для заказчика ТК
Сроки доставки от 1 до 3 дней по Центральному региону
По умолчанию мы работаем с двумя курьерскими компаниями:
Major — российская компания, занимающаяся продажей автомобилей и перевозками грузов. Крупнейший, наряду с «Рольфом», автодилер страны.
DPDgroup — международная служба экспресс-доставки. В среднем ежедневно доставляет более 5 миллионов посылок. Работает под торговой марками DPD.
Это наши проверенные партнеры. Однако если вы предпочитаете работать с другой курьерской службой, у нас нет ограничений. Просто сообщите нам об этом. Мы согласуем все условия и отправим заказ с полным комплектом сопутствующей документации.
Как оплатить?
Оплата принимается по безналичному расчету. После согласования заказа мы выставляем счет на оплату. Заказ считается оплаченным после поступления суммы заказа на расчетный счет ООО «Эффективное производство».
Как получить?
География доставки — вся Россия. При перевозке грузы подлежат страхованию. Обычно доставка входит в стоимость продукции.





Приобретая продукцию у нас, вы можете быть уверены, что получаете оригинальное сертифицированное оборудование, комплектующие и оснастку.
На весь представленный ассортимент распространяется гарантия завода-изготовителя. Для каждого конкретного изделия производитель устанавливает определенный гарантийный срок. Обычно он составляет 12-36 месяцев.
Согласно п. 1 ст. 471 Гражданского кодекса РФ гарантийный срок на товар исчисляется с момента фактической передачи его покупателю.
При наступлении гарантийного случая и отсутствии следов некорректной эксплуатации, осуществляется замена неисправного оборудования в соответствии с Законом о защите прав потребителей.
Если утрата функциональности изделия связана с механическими повреждениями, попытками модификации или ремонта, нецелесообразным использованием, то компания ООО «Эффективное производство» не несет за это ответственности, а действие гарантийных обязательств прекращается.
Иногда мы сталкиваемся с ситуацией, когда подлинные запчасти работают некорректно, т.к. нарушена технология их установки. В таком случае наши инженеры удаленно помогают клиентам наладить эксплуатацию.



































